Product Name:CH-SC/CH-SB sensor
Product features:CH-SC/CH-SB adopts high quality alloy steel material, with high precision, high stability, low appearance, easy installation, fast and so on.It is suitable for testing machine, batching scale, mixing station, belt scale and packing scale, etc. It can also be used for pulling force or pressing.
Range:
CH-SC:2 kN(200kg)、3 kN(300kg)、5 kN(500kg)、10 kN(1t)
CH-SB:20 kN(2t)、30 kN(3t)、50 kN(5t)
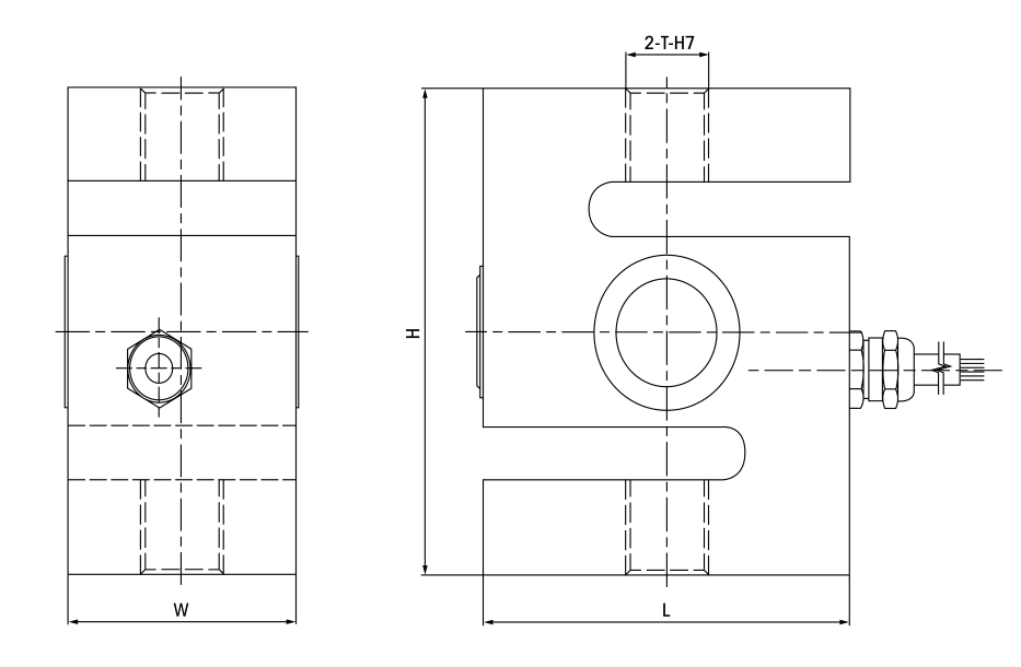
Dimensions:
|
Model |
Range(kN) |
Range(kg) |
|
L |
H |
W |
T |
|
CH-SC |
2,3 |
200,300 |
mm |
62 |
80 |
30 |
M10x1 |
|
5 |
500 |
mm |
62 |
80 |
30 |
M12x1 |
|
|
10 |
1000 |
mm |
70 |
90 |
30 |
M12x1 |
|
|
CH-SB |
20 |
2000 |
mm |
70 |
90 |
45 |
M16x1.5 |
|
30 |
3000 |
mm |
80 |
100 |
50 |
M18x1.5 |
|
|
50 |
5000 |
mm |
92 |
130 |
58 |
M20x2 |
Specifications:
|
Specifications |
|
|
|
|
Rated Output |
2.0mV/V±0.2% |
Zero Balance |
±1%F.S |
|
Comprehensive Precision |
0.03%F.S |
Input Impedance |
380±5Ω |
|
Linearity/ Hysteresis |
±0.03%F.S |
Output Impedance |
350±3Ω |
|
Repeatability |
±0.03%F.S |
Insulation Impedance |
≥5000MΩ |
|
Creep |
±0.03%F.S/30min |
Recommended Excitation Voltage |
5~15V/DC |
|
Temp. Effect On Zero |
±0.02%/10℃ |
Compensated temp. Range |
-30℃~+70℃ |
|
Temp. Effect On Output |
±0.02%/10℃ |
Safe Overload |
150%F.S |
|
Connection |
Excitation:+ Red - Black Signal: + Green - White Shield: Thick Yellow |
||






Tel:







15621850939
2370849295@qq.com
2370849295
Address:28988 Jingshi Road, Huaiyin District, Jinan